¿De qué marca es?
Schulz.
Tiempo de entrega estimada Sábado 28 de marzo al Viernes 3 de abril.
Precio y formas de pago
4 partes mensuales sin intereses
4 pagos de
$ 17.620.194
/ mesAliados para comprar ahora y pagar después



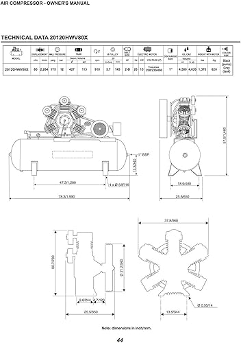
Compresores de Aire de la marca Schulz
Compra segura
Protección total en tu pago y tu pedido.
Cuotas flexibles
Elige entre pago único o hasta 4 partes.
Envío verificado
Tiempo de entrega estimada Sábado 28 de marzo al Viernes 3 de abril.

Compresores de Aire de la marca Schulz
¿De qué marca es?
Schulz.
¿Cuánto pesa?
790,0 libras, aproximadamente 358,3 kg.
| Campo | Valor |
|---|---|
| Cantidad de paquetes de artículos | 1 ¿Se incluyen las baterías? No ¿Se necesitan baterías? No |
| SKU | B00WXNZ6RY |
| Modelo | SCHULZ AIR COMPRESSOR |
Construcción de hierro fundido Funcionamiento automático del interruptor de presión de arranque/par Protector de cinturón de metal cerrado Fácil acceso para ajustar la tensión de la correa Poleas de accionamiento equilibradas Válvulas de retención de Manómetro Drenaje de condensado manual